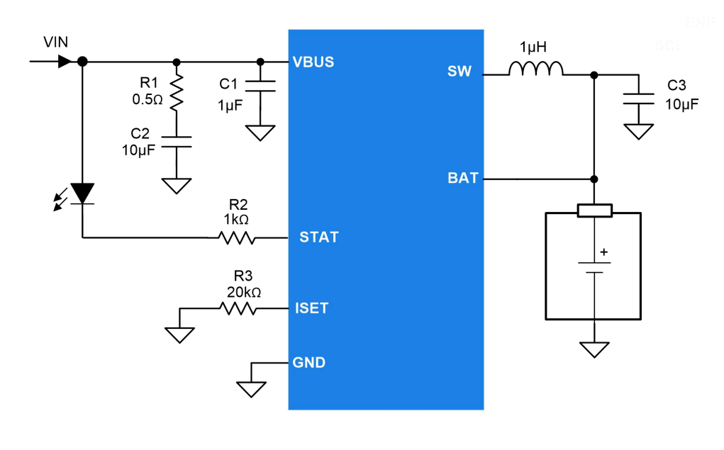
The LP4021H is a standalone 1-cell switching battery charger that delivers up to 2A of charge current from a 4.1V to 6.2V input voltage. The charge current is programmable via a resistor connected between the ISET pin and GND, with charge enabled or disabled through the ISET pin. Operating at a 1.2MHz switching frequency, the LP4021H supports the use of a compact 1µH inductor for fast 2A charging. LPS’s patented integrated current sensing technology eliminates the need for an external sensing resistor, enabling high charge efficiency, reduced BOM cost, and an ultra-small footprint. Offered in a SOT23-6 and ESOP-8 package, the LP4021H provides one of the most cost-effective, low BOM and compact switching charging solutions on the market, which
is also ideal for replacing 800mA-and-above linear chargers, delivering faster and cooler Li-ion battery charging. ESOP-8 package also features battery temperature sensing and protection.