样品申请
样品申请
Demo板申请
|
订阅资讯
|
我的微源
取消
热门搜索
65131
54202
产品
产品
屏幕显示电源
电源 PMU
电池管理
电源管理
电源转换
接口保护
功率器件
音频功放
快充协议
汽车电子
霍尔芯片
应用
应用
屏幕显示
智能手机/平板
穿戴设备
网络通讯
安防监控
家电
工业应用
个人健康
汽车电子
质量
质量
质量
可靠性
关于微源
关于微源
企业介绍
联系我们
新闻中心
加入微源
会员登录
会员登录
登录
产品
应用
质量
关于微源
加入微源
屏幕显示电源
电源 PMU
电池管理
电源管理
电源转换
接口保护
功率器件
音频功放
快充协议
汽车电子
霍尔芯片
/
产品
/
电池管理
/
锂电保护芯片
/
LPB3044-AQAS
Active
3-4 串可充电锂离子或聚合物电池保护芯片
规格书下载
转存邮件
LPB3044-AQAS
转存邮件
概述
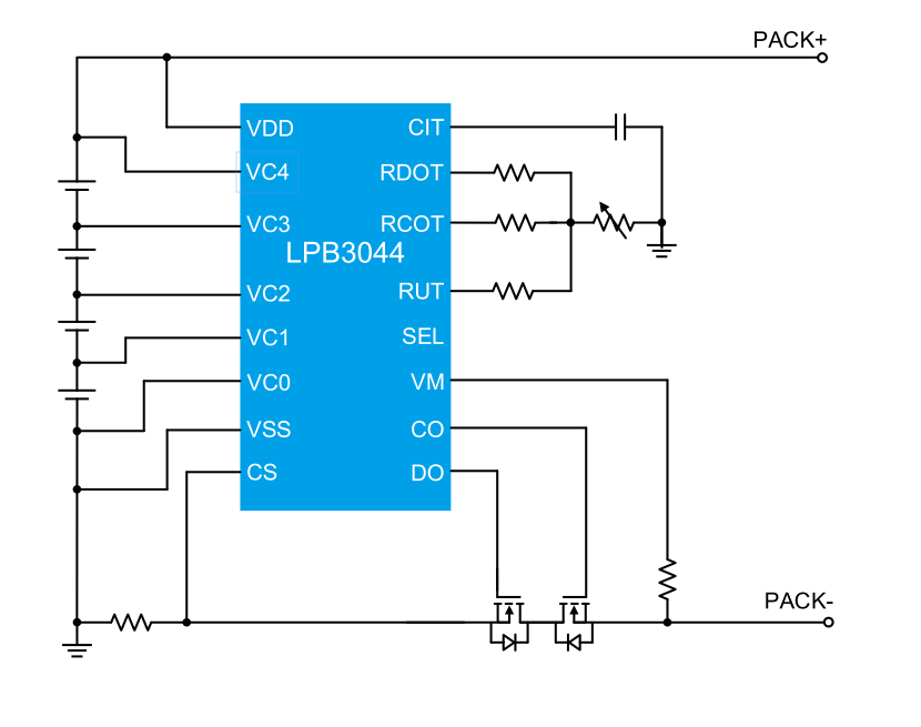
LPB3044系列是一款专用于3-4串锂离子电池或锂聚合物电池组的低功耗保护芯片,内部集成了高精度电压检测电路,电流检测电路,温度检测电路,两个N沟道MOSFET的驱动,电池被动均衡电路,负载检测和充电器检测电路等。通过检测每串电池的电压、充放电电流、温度等信息,控制外部充放电MOSFET,实现电池过充电、过放电、充电过流、放电过流、短路,电池充放电高温等保护功能。
LPB3044集成了电池被动均衡功能,无需MCU控制可实现电池均衡,延长电池组续航时间和电池循环寿命。
应用
◆ 电动工具电池组
◆ 电动自行车,电动滑板车
◆ 后备电源,储能电源
◆ 锂离子及锂聚合物电池组
数据参数
数据参数
电池节数
3~4
过充检测电压(V)
3.65
过充恢复电压(V)
3.55
过放检测电压(V)
2.3
过放恢复电压(V)
2.7
过流检测门限
50mV
0V 充电
Y
过充电压检测精度(mV)
25
级联
—
均衡
Y
集成MOS内阻(mΩ)
Ext
静态电流(uA)
20
特点
High accuracy,OTP(Adj.), cell balancing,High voltage resistance
封装
SSOP16
特征
特征
◆ 电池过充电保护功能:
◆ 保护电压 3.65V, 3.75V, 3.85V, 4.0V, 4.175 V~4.5V
精度 ±25 mV,步进 25 mV
◆ 迟滞电压 0.1V, 0.15V, 0.2V,精度 ±50mV
◆ 电池过放电保护功能:
◆ 保护电压1.5V, 2.1V~2.8V, 精度 ±50 mV, 步进 100mV
◆ 恢复电压 2.0V, 2.7V, 3.0V, 精度 ±100mV
◆ 3段放电过流保护功能:
◆ 过流保护电压1 0.05V~0.10V, 精度 ±5mV,步进 50mV
◆ 过流保护电压2 0.10V~0.30V, 精度 ±10mV, 步进100mV - 短路保护电压 0.20V~0.60V, 精度 ±20mV,步进200 mV
◆ 充电过流保护功能
◆ 保护电压 -0.01V~-0.05V, 精度 ±5 mV,步进 10 mV
◆ 电池被动均衡功能
◆ 均衡开启电压 3.525V, 3.875V, 4.05V~4.125V,
精度 ±25 mV, 步进 25 mV
◆ 可选支持低压充电或禁止低压充电
◆ 外部电阻配置充放电高温保护阈值
◆ 充电器检测及负载检测功能
◆ 外部电容配置放电过流保护延时
◆ 电池断线保护功能
◆ 低功耗:
◆ 工作时 15.0 µA (典型值) (Ta =+25°C)
◆ 休眠时 5.0 µA (典型值) (Ta = +25°C)
◆ ESD等级:
◆ Human Body Model: 2kV
◆ Charged Device Model: 1kV
◆ 封装: SSOP16,QFN3x3-16
◆ 符合RoHS标准,无铅
推荐产品
LPB1006
One Cell Li-Ion Battery Protection IC
下载规格书
LPB1003
One Cell Li-Ion Battery Protection IC
下载规格书
转存邮箱
转存
订阅资讯
订阅
会员登录
登录